发烧论坛

注册

 

发新话题 回复该主题

AT的中音算是当今世上最好的中音!!!!( [复制链接]

查看: 8300|回复: 36
21#

回复:AT的中音算是当今世上最好的中音!!!!(

很多喇叭在指标上和曲线上都是一流,但声音千差万别,AT的密度和速度是我最喜欢的一点。就像ATC的虽然密度很好,但速度比较慢,所以听歌非常好,而听交响就有点提不起精神了。而把密度和速度掌握的比较好的应该是AT了。潘主编说的号角除外---那就是为中频而生而长的!;P
TOP
22#

回复: AT的中音算是当今世上最好的中音!!!!(

非常同意一点兄讲法.
另外,其他单元虽然频宽也广,但是只有AT能够保持稳定的阻抗及良好的频率上限的顺滑的下降,同时他的声音也是比较开放和活泼,其他三明治材料的ETON,纸盆单元或金属单元皆是难以做到的,这也是AT单元被HI--END厂家一致采用的原因

包括B&W的KEVLAR无悬边中音也是不能做到稳定的阻抗以及稳定的相位,综上所述,只有AT做到了上述要求并找到极佳的平衡点
TOP
23#

回复: AT的中音算是当今世上最好的中音!!!!(

原帖由 一方火 于 2007-11-6 9:49:00 发表
潘老师好!我是兰州的,几年前向您电话咨询过丹拿喇叭,不过我最后选择了atc,今天特别向您问好,我现用设备naim5i+simaudioi3+atcscm7,请指正!


好东西!
不过我觉得scm7其实不能体会ATC的好处。
要体会ATC的好处,起码是scm20起步
TOP
24#

回复: AT的中音算是当今世上最好的中音!!!!(

原帖由 masterdoor 于 2007-11-6 13:22:00 发表
非常同意一点兄讲法.
另外,其他单元虽然频宽也广,但是只有AT能够保持稳定的阻抗及良好的频率上限的顺滑的下降,同时他的声音也是比较开放和活泼,其他三明治材料的ETON,纸盆单元或金属单元皆是难以做到的,这也是AT单元......


要说声音开放活泼,恐怕纸盆的要比PP盆的强吧。AT单元我听得不少,不觉得是很开放活泼的。
当然每个人的要求不一样。
要开放活泼,恐怕还是号角。

另外,Dynaudio的球顶的密度很好,速度也很快,也是非常不错的,有很多顶级音箱在用。

至于为何现在用AT的多,其实做音箱的厂家也有“一窝蜂”的趋势,就像以前流行过SCANSPEAK 8545,后来流行过VIFA XT25TG一样,其实并不是很出色的单元。
当然AT是顶级产品,非常好
TOP
25#

回复:AT的中音算是当今世上最好的中音!!!!(

看看这个中频如何?
有AT的好吗;P ;P

照片我拍的,拍得不好

TOP
26#

回复:AT的中音算是当今世上最好的中音!!!!(

潘主编好!我是你们杂志读者.看了你们前几期上介绍的您参与DIY的音箱有点兴趣,不知性价比如何?
TOP
27#

回复: AT的中音算是当今世上最好的中音!!!!(

原帖由 东方路人 于 2007-11-6 15:28:00 发表
潘主编好!我是你们杂志读者.看了你们前几期上介绍的您参与DIY的音箱有点兴趣,不知性价比如何?


您好!
是仿皇太子那对吗?
自己做,性价比当然高了。
那对箱子不错,就是中频比原厂的稍紧一点。毕竟分频器的用料没有原厂好。
您可以照着做一对!
TOP
28#

回复: AT的中音算是当今世上最好的中音!!!!(

原帖由 潘志强 于 2007-11-6 14:57:00 发表.


好东西!
不过我觉得scm7其实不能体会ATC的好处。
要体会ATC的好处,起码是scm20起步



潘主编好,早就听说您是ATC的老玩家,致敬了。对于SCM7的确有一点不够完美的,既是它把中音和低音单元做在一起,为了表现中频的质感,是以增加中低音震膜重量为代价的,直接后果是低频瞬态有些不足,播放钢琴低频的时候可以听出来。同样中频的表现也不会有独立中频单元表现的完美。但是7好也有一点好,他的面板很窄,这样高频单元的声音可以很容易绕道后面去,对于空间感的表现很有帮助,面板宽度对于高频的影响还是很明显的,比较欣赏B&W梭子型的高音设计,从C2/C4看DY的高音部分的面板也都变窄。不知道这一点大容量的ATC是如何解决的。

另这套G2太漂亮了,我梦想的器材。
TOP
29#

回复:AT的中音算是当今世上最好的中音!!!!(

多谢潘老师,待日后有米在升级.看到康太时这部机器,感触颇深,

一日"梁上君子"将全部器材"借"去不还,我只好买部理光grd玩玩
最后编辑一方火 最后编辑于 2007-11-06 16:58:28
TOP
30#

回复: AT的中音算是当今世上最好的中音!!!!(

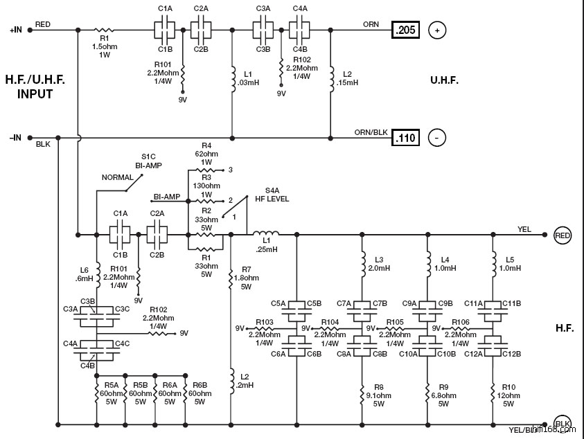
JBL铍号角中音当然是非常之好!!!!!不过非常之贵!!!!!!!!!
而且凡是金属振膜都会发生谐振,只不过铍金属的频率高很多,但还是要用复杂的分频器才行,你看JBL 的9800SE吧,分频器元件多达90多个,JBL66000的分频器也复杂.
所以玩JBL号角音箱的人,大多最后会选择电子分音才满意,只有电子分音才有高价的分频效果,才能抑制谐振.

下面是JBL 9800的分频器,元件之多,分频之复杂,谁看谁晕!!!!!!!!!
51708281116521.jpg (, 下载次数:70)

jpg(2007/11/6 19:57:59 上传)

51708281116521.jpg

9_31_abc9cf4d8fd8266.jpg (, 下载次数:71)

jpg(2007/11/6 19:57:59 上传)

9_31_abc9cf4d8fd8266.jpg

最后编辑masterdoor 最后编辑于 2007-11-06 19:57:58
TOP
发新话题 回复该主题