发烧论坛

注册

 

发新话题 回复该主题

【我为论坛作贡献】晶体管后级功放经典电路图集 [复制链接]

查看: 31337|回复: 58
11#

回复: 【我为论坛作贡献】晶体管后级功放经典电路图集

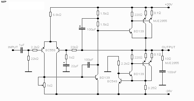
黄国坚差分互补大电流甲类后级
黄国坚甲类后级.jpg (, 下载次数:408)

jpg(2007/12/4 17:14:48 上传)

黄国坚甲类后级.jpg

黄国坚甲类后级二.jpg (, 下载次数:509)

jpg(2007/12/7 13:57:16 上传)

黄国坚甲类后级二.jpg

最后编辑卖油翁1 最后编辑于 2007-12-07 13:57:16
老夫老矣!!
TOP
12#

回复: 【我为论坛作贡献】晶体管后级功放经典电路图集

音质可人的单端甲类后级
单端甲类后级.gif (, 下载次数:337)

gif(2007/12/4 17:22:08 上传)

单端甲类后级.gif

老夫老矣!!
TOP
13#

回复:【我为论坛作贡献】晶体管后级功放经典电路图集

TOP
14#

回复:【我为论坛作贡献】晶体管后级功放经典电路图集

高以下为基,
TOP
15#

回复:【我为论坛作贡献】晶体管后级功放经典电路图集

欢迎大家继续贴
老夫老矣!!
TOP
16#

回复:【我为论坛作贡献】晶体管后级功放经典电路图集

虽不能补上,但不顶枉来此.
TOP
17#

回复:【我为论坛作贡献】晶体管后级功放经典电路图集

设计是有了,能不能也介绍下材料的选择和制作要点,这对打多数人也很重要阿
TOP
18#

回复:【我为论坛作贡献】晶体管后级功放经典电路图集

经典啊............可惜没实物图
CLK发烧信号线!
淘宝: http://shop35466467.taobao.com
TOP
19#

回复: 【我为论坛作贡献】晶体管后级功放经典电路图集

大名鼎鼎的先锋M22K甲类功放
先锋M22K甲类功放.jpg (, 下载次数:513)

jpg(2007/12/4 21:13:09 上传)

先锋M22K甲类功放.jpg

老夫老矣!!
TOP
20#

回复: 【我为论坛作贡献】晶体管后级功放经典电路图集

山灵A40甲类功放
山灵A40.jpg (, 下载次数:391)

jpg(2007/12/5 12:53:21 上传)

山灵A40.jpg

最后编辑卖油翁1 最后编辑于 2007-12-05 12:54:16
老夫老矣!!
TOP
发新话题 回复该主题