发烧论坛

注册

 

发新话题 回复该主题

6J8-2A3C 单端功放机 [复制链接]

查看: 3505|回复: 7
1#
最近为朋友制作了一台2A3单端功放,比我自己使用的2A3机器声音要好(照片中原有的扼流圈已经移到机箱上面).
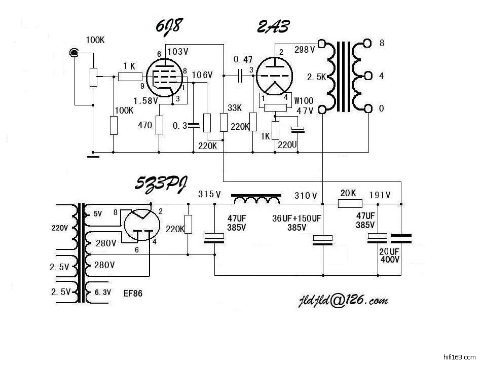
EF86+2A3-2.JPG (, 下载次数:136)

电路图(2008/4/18 11:14:58 上传)

EF86+2A3-2.JPG

2A3-7.jpg (, 下载次数:107)

外观(2008/4/18 11:12:33 上传)

2A3-7.jpg

2A3-3.jpg (, 下载次数:96)

局部(2008/4/18 11:12:33 上传)

2A3-3.jpg

2A3-5.jpg (, 下载次数:98)

内部(2008/4/18 11:12:33 上传)

2A3-5.jpg

3-2.jpg (, 下载次数:95)

15寸的毒喇叭音箱(2008/4/18 11:12:33 上传)

3-2.jpg

最后编辑DIY99 最后编辑于 2008-04-18 11:14:57
分享 转发
http://shop34383879.taobao.com/
TOP
2#

回复:6J8-2A3C 单端功放机

沙发啊~!漂亮的机器
TOP
3#

回复:6J8-2A3C 单端功放机

箱子漂亮。
音源:拜事通BDP-2数字转盘+wadia27解码
          WIN7台式机+逸恒金魔方USB处理器+山寨数字界面+wadia27解码
功放:Audio net Sam V2
音箱:雨后初晴COMPACT 7ES-2
TOP
4#

回复:6J8-2A3C 单端功放机

2A3 好幾年沒完了, 呵呵.

屏流表顯示你屏流下 60mA ? (Vp250V/60mA 標準版)用5極管推 ?
我一般屏流下 50mA, 就是高壓低流.(Vp 300V/50mA) 你這5極管沒用過.

你管子換一換 聲音會在提升, 2a3 5u4....美製的一堆,不難找.

如果OPT能換進口的那會更好,我用過美國制 Magne Quest TFA204.


看你的零件,應該比偏向現代聲一點吧 ?
TOP
5#

回复: 6J8-2A3C 单端功放机

原帖由 reiner_fans 于 2008-4-18 13:42:00 发表
2A3 好幾年沒完了, 呵呵.

屏流表顯示你屏流下 60mA ? (Vp250V/60mA 標準版)用5極管推 ?
我一般屏流下 50mA, 就是高壓低流.(Vp 300V/50mA) 你這5極管沒用過.

你管子換一換 聲音會在提升, 2a3 5u4....美製的一堆......

这是为朋友制作的,声音比较现代,也就是比较通透.电流表指示为100MA.
2A3-9.jpg (, 下载次数:75)

100毫安电流(2008/4/18 18:47:36 上传)

2A3-9.jpg

http://shop34383879.taobao.com/
TOP
6#

回复:6J8-2A3C 单端功放机

哈哈,以前我裝直接交連的線路時也用過電流表...看看工作狀態如何!!

我前幾年在瘋2a3時,曾經有過上百隻的美國制2a3 包含少見的單屏2a3.

你的機器 2A3 屏流下多少 ??

你有機會也可試試45 或是相關類似的管子,只需稍為調整即可,不同管子的音色變化很有趣的.
最后编辑reiner_fans 最后编辑于 2008-04-18 18:59:23
TOP
7#

回复:6J8-2A3C 单端功放机

做工不错..........
CLK发烧信号线!
淘宝: http://shop35466467.taobao.com
TOP
8#

回复: 6J8-2A3C 单端功放机

原帖由 reiner_fans 于 2008-4-18 18:56:00 发表
哈哈,以前我裝直接交連的線路時也用過電流表...看看工作狀態如何!!

我前幾年在瘋2a3時,曾經有過上百隻的美國制2a3 包含少見的單屏2a3.

你的機器 2A3 屏流下多少 ??

你有機會也可試試45 或是相關類似的管子,......


2A3每管屏流计算简单:V/R=47/1000=0.047A
http://shop34383879.taobao.com/
TOP
发新话题 回复该主题