发烧论坛

注册

 

发新话题 回复该主题

请教个胆机功率问题 [复制链接]

查看: 14567|回复: 51
11#

如果想要音色和推好你的音箱,可以考虑一下我们的M6

http://item.taobao.com/item.htm?id=5339762771
CLK发烧信号线!
淘宝: http://shop35466467.taobao.com
TOP
12#

我不理解的是:推4欧姆的音箱功率是56W,很多人说同样地情况下8欧姆的音箱更好推,而功率只有28W。
TOP
13#

不行的,昨天晚上在朋友家用合并300B推,声音稍大就失真,他的箱子同我的一样。

额定输出功率: 22W ( 4 Ω、 8 Ω)
4、8欧姆都是22W,不理解。
最后编辑kick 最后编辑于 2011-12-05 23:23:24
TOP
14#

哪是阻抗不同,如果接入阻抗不同出来的声音会直接影响。
CLK发烧信号线!
淘宝: http://shop35466467.taobao.com
TOP
15#

原帖由 kick 于 2011-12-5 23:22:00 发表
不行的,昨天晚上在朋友家用合并300B推,声音稍大就失真,他的箱子同我的一样。

额定输出功率: 22W ( 4 Ω、 8 Ω)
4、8欧姆都是22W,不理解。


最好问一下你朋友是什么胆机和型号。
CLK发烧信号线!
淘宝: http://shop35466467.taobao.com
TOP
16#

回复 12# kick 的帖子

理论来说8欧输出有28W的胆机功率,如果接4欧音箱时功率可能会变小或变大,但绝对不是有56W的功率输出,这个只能是阻抗匹配问题。
TOP
17#

关氏,4只6SL7+2只300B
TOP
18#

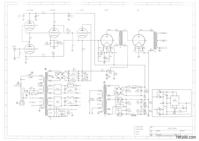
搞不懂,看电路图,4欧的输出只用了线圈的一半,而8欧姆的全用了。
TOP
19#

我理解为,4欧的是14W,8欧的28W,请指点下,谢谢!
TOP
20#

功率是死的,当然还是28W,问题胆机靠输出牛工作,听感饱满,显得推力足一些!
工作室总监: http://blog.sina.com.cn/lzkxj
TOP
发新话题 回复该主题