帐号
注册
密码
登录
关闭
安全选项
找回密码
记住我
我的中心
登录或注册新用户,开通自己的个人中心
HIFI168首页
快速搜索
帖子标题
作者
版块
发烧论坛
»
发烧专区
»
HiFi乐趣
»
300B845胆机摩机直播(中期验收意见P33)
发烧专区
HiFi乐趣
音乐唱片
器材用家专区
在线试听
交易论坛
硬件交易
软件交易
返回列表
«
3
4
5
6
7
8
9
10
»
/ 43
下一页
楼主:kick
300B845胆机摩机直播(中期验收意见P33)
[复制链接]
查看:
208938
|
回复:
423
发送短消息
UID
70424
精华
49
查看公共资料
搜索主题
搜索帖子
kick
kick
组别
论坛博士后
生日
19720110
帖子
11009
积分
13430
性别
注册时间
2002-06-09
kick
论坛博士后
61
#
字体大小:
t
T
发表于
2012-03-13 15:05
|
只看楼主
有你说的现象,但与银线无关,高素质的银线没有这些毛病。
TOP
发送短消息
UID
70424
精华
49
查看公共资料
搜索主题
搜索帖子
kick
kick
组别
论坛博士后
生日
19720110
帖子
11009
积分
13430
性别
注册时间
2002-06-09
kick
论坛博士后
62
#
字体大小:
t
T
发表于
2012-03-13 19:26
|
只看楼主
灯丝滤波电容,指的是?
777.JPG
(55.28 K)
2012/3/13 19:26:16
安装在整流电路两端用以降低交流脉动波纹系数提升高效平滑直流输出的一种储能器件,我们把这种器件称其为滤波电容。滤波电容具有电极性,我们称其为电解电容。电解电容的一端为正极,另一端为负极,正极端连接在整流输出电路的正端,负极连接在电路的负端。在所有需要将交流电转换为直流电的电路中,设置滤波电容会使电子电路的工作性能更加稳定,同时也降低了交变脉动波纹对电子电路的干扰。滤波电容在电路中的符号一般用“C"表示,电容量越大,滤波性能越好。为了获得更好的直流稳定系数,电容量一般选择在数百微法或数千微法以上。
一般情况下,
电解电容
的作用是过滤掉电流中的低频信号,但即使是低频信号,其频率也分为了好几个数量级。因此为了适合在不同频率下使用,电解电容也分为高频电容和低频电容(这里的高频是相对而言
低频滤波电容主要用于市电滤波或变压器整流后的滤波,其工作频率与市电一致为50Hz;而高频滤波电容主要工作在
开关电源
整流后的滤波,其工作频率为几千Hz到几万Hz。当我们将低频滤波电容用于高频电路时,由于低频滤波电容高频特性不好,它在高频充放电时内阻较大,等效电感较高。因此在使用中会因电解液的频繁极化而产生较大的热量。而较高的温度将使电容内部的电解液气化,电容内压力升高,最终导致电容的鼓包和爆裂。
滤波电容在开关电源中起著非常重要的作用,如何正确选择滤波电容,尤其是输出滤波电容的选择则是每个
工程技术人员
十分关心的问题。
50赫兹工频电路中使用的普通电解电容器,其脉动电压频率仅为100赫兹,充放电时间是毫秒数量级。为获得更小的脉动系数,所需的电容量高达数十万微法,因此普通低频
铝电解电容器
的目标是以提高电容量为主,电容器的电容量、损耗角正切值以及漏电流是鉴别其优劣的主要参数。而开关电源中的输出滤波电解电容器,其锯齿波电压频率高达数万赫兹,甚至是数十兆赫兹。这时电容量并不是其主要指标,衡量高频铝电解电容优劣的标准是“阻抗- 频率”特性。要求在开关电源的工作频率内要有较低的等效阻抗,同时对于半导体器件工作时产生的高频尖峰信号具有良好的滤波作用。
普通的低频电解电容器在万赫兹左右便开始呈现感性,无法满足开关电源的使用要求。而开关电源专用的高频铝电解电容器有四个端子,正极铝片的两端分别引出作为电容器的正极,负极铝片的两端也分别引出作为负极。电流从四端电容的一个正端流入,经过电容内部,再从另一个正端流向负载;从负载返回的电流也从电容的一个负端流入,再从另一个负端流向电源负端。
在电源设计中,滤波电容的选取原则是:
C≥2.5T/R
其中:C为滤波电容,单位为UF;
T为周期,单位为S,T=1/F
R为负载电阻,单位为Ω
当然,这只是一般的选用原则,在实际的应用中,如条件(空间和成本)允许,都选取C≥5T/R。
由于四端电容具有良好的高频特性,为减小电压的脉动分量以及抑制开关尖峰噪声提供了极为有利的手段。高频铝电解电容器还有多芯的形式,即将铝箔分成较短的若干段,用多引出片并联连接以减小容抗中的阻抗成份。并且采用低电阻率的材料作为引出端子,提高了电容器承受大电流的能力。
滤波电容用在电源整流电路中,用来滤除交流成分。使输出的直流更平滑。
kick 最后编辑于 2012-03-13 20:12:20
TOP
发送短消息
UID
70424
精华
49
查看公共资料
搜索主题
搜索帖子
kick
kick
组别
论坛博士后
生日
19720110
帖子
11009
积分
13430
性别
注册时间
2002-06-09
kick
论坛博士后
63
#
字体大小:
t
T
发表于
2012-03-13 20:03
|
只看楼主
请搜索一张spark sc10胆前级电路图或类似线路电路图,我学习下,谢谢!
TOP
发送短消息
UID
85101
精华
7
查看公共资料
搜索主题
搜索帖子
南海十三郎
南海十三郎
组别
论坛博士后
生日
1966-4-22
帖子
2504
积分
2544
性别
注册时间
2005-08-23
南海十三郎
论坛博士后
64
#
字体大小:
t
T
发表于
2012-03-13 20:12
|
只看该用户
回复 62# kick 的帖子
25v10000u的就是
TOP
发送短消息
UID
70424
精华
49
查看公共资料
搜索主题
搜索帖子
kick
kick
组别
论坛博士后
生日
19720110
帖子
11009
积分
13430
性别
注册时间
2002-06-09
kick
论坛博士后
65
#
字体大小:
t
T
发表于
2012-03-13 20:24
|
只看楼主
原帖由
南海十三郎
于 2012-3-13 20:12:00 发表
25v10000u的就是
电路图上是找着了,6sl7、6sn7的250v 220u不用动?而且这里为什么要弄耐压这么高的?这里电压很低的,而且300B、845灯丝滤波电容耐压也才25v,不明白为什么这么设计。
在机器的照片上,在什么位置不知道。
在下图中?
888.JPG
(58.00 K)
2012/3/13 20:24:25
999.JPG
(46.50 K)
2012/3/13 20:24:25
TOP
发送短消息
UID
85101
精华
7
查看公共资料
搜索主题
搜索帖子
南海十三郎
南海十三郎
组别
论坛博士后
生日
1966-4-22
帖子
2504
积分
2544
性别
注册时间
2005-08-23
南海十三郎
论坛博士后
66
#
字体大小:
t
T
发表于
2012-03-13 20:38
|
只看该用户
第三级管好象用的是正负供电,那张线路太小看不清,你发张大图纸我看看。看清了那两个250V220U应该是6SN7供正负电滤波电容,关键部位元件。6SN7灯丝是用交流供电。对于高品质电容容量可以比原来的小一倍也没问题,摩M100时原机用450V470U耳贴喇叭听到一点交流声,但换用220U JENSN后反而一点交流也没有了,低频质感也更好了,这级6SN7我看用JENSN 100U足够了。
南海十三郎 最后编辑于 2012-03-13 21:05:32
TOP
发送短消息
UID
70424
精华
49
查看公共资料
搜索主题
搜索帖子
kick
kick
组别
论坛博士后
生日
19720110
帖子
11009
积分
13430
性别
注册时间
2002-06-09
kick
论坛博士后
67
#
字体大小:
t
T
发表于
2012-03-13 23:11
|
只看楼主
000.JPG
(126.84 K)
2012/3/13 23:10:39
TOP
发送短消息
UID
85101
精华
7
查看公共资料
搜索主题
搜索帖子
南海十三郎
南海十三郎
组别
论坛博士后
生日
1966-4-22
帖子
2504
积分
2544
性别
注册时间
2005-08-23
南海十三郎
论坛博士后
68
#
字体大小:
t
T
发表于
2012-03-14 00:05
|
只看该用户
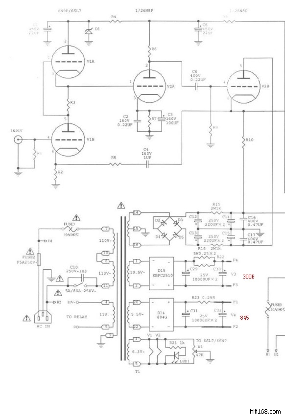
C12、C14是负栅压滤波电容。C13、C15是供V2B 屏极电压滤波电容。C4 160V1U是负反馈电容。C29、C30、C31、C32分别是300B、845灯丝滤波。C6 0.22U400V是交连电容。
TOP
发送短消息
UID
70424
精华
49
查看公共资料
搜索主题
搜索帖子
kick
kick
组别
论坛博士后
生日
19720110
帖子
11009
积分
13430
性别
注册时间
2002-06-09
kick
论坛博士后
69
#
字体大小:
t
T
发表于
2012-03-14 00:29
|
只看楼主
交联电容已在换的方案中。
C4 我看它不顺眼,不知道作用大不大,有没有换的必要。
C12、C14、C13、C15、C29、C30、C31、C32八个东西挺贵的。
刚查资料,似乎C12、C14、C13、C15(本页第三图红箭头所指)更重要点,外界电压对声音影响比较大,处理好了,可以不用电源处理器了。
上图中的300B、845是原厂印错了?300B灯丝电压应该是5.5,845电压是10.5.
kick 最后编辑于 2012-03-14 00:37:33
TOP
发送短消息
UID
85101
精华
7
查看公共资料
搜索主题
搜索帖子
南海十三郎
南海十三郎
组别
论坛博士后
生日
1966-4-22
帖子
2504
积分
2544
性别
注册时间
2005-08-23
南海十三郎
论坛博士后
70
#
字体大小:
t
T
发表于
2012-03-14 00:54
|
只看该用户
C1 47U C6 100U更合理,大多图纸都用这个参数。厂家全用220U只是进料时方便,C12、C14、C13、C15容量可减一半,我的M100推动级只用到47U,C4是信号反馈不容忽视,信号通道的东西是很明显的,可用BG 1U无极不贵吧,灯丝电容可以降低一些档次或暂不动。
南海十三郎 最后编辑于 2012-03-14 01:01:25
TOP
上一主题
|
下一主题
返回列表
«
3
4
5
6
7
8
9
10
»
/ 43
下一页
高级编辑器
B
Color
Image
Link
Quote
Code
Smilies
默认表情
你需要登录后才可以发帖
登录
|
注册
发表回复
查看背景广告
隐藏
发新主题
发烧专区
HiFi乐趣
音乐唱片
器材用家专区
在线试听
交易论坛
硬件交易
软件交易
浏览过的版块
硬件交易
软件交易
音乐唱片
器材用家专区
TOP
设置头像
个人资料
更改密码
用户组
收藏夹
积分