紫金钉调整音箱音色
请问粱先生,您试验过用紫金钉调整音箱音色没有呢? rslun66 发表于 2018/9/4 19:22:24 
梁师傅,可以分享您自行设计的喇叭,设计的大方向或是針於某种音乐的重播; 忠实还原或是美声? 一双喇叭的声效能否离箱是否在於喇叭箱的气压处理和喇叭正面的宽度? 令加一个七吋单元在座地喇叭是为了增强音压吗? 小弟虚心向您学习。 Muyi 发表于 2018/9/4 21:42:56  |
rslun66兄
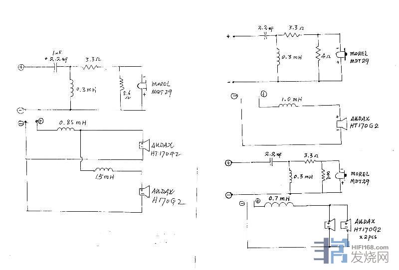
我们当然有用紫金钉调整音箱音色,而且是必用,请参看附图,这是我20多年前设计的仙乐座地音箱之一,在箱底正中间的第5只脚钉,是仙乐座地音箱的独有设计特点之一,也是共振最强的位置,在这经常被烧友和设计师忽略的位置加钉,可以强化音箱的控制力、声音密度、余音残响和力水等,在这位置再用上一枚紫金钉或紫金钉垫(音响子弹系列产品亦可),中音、人声和弦乐的音色可以有进一步的明显改善,尤其是在音乐感和起承转折之间的流畅度方面,效果更大。


前提是,这些关键性的改善,音响系统需要有良好的线材及避震校声配合,没有的话,效果会大打折扣。如果系统不良,轰鸣满室的话,这些关键性的改善,都会被遮盖掉。
您的系统是金声玉振,全部都是Aurum黄金镀膜线材+黄金镀膜魔改,值得一试。


我们自用的系统,每件器材都用紫金钉和音响子弹系列产品校声,两者互相配合,效果更佳。
又以下图Mark Levinson ML3后级为例,在机底正中间位置,多用上一枚紫金钉及/或音响子弹木垫(黑色的就是音响子弹系列产品),和其他紫金钉及音响子弹木方配合,机底正中间的配置,和仙乐音箱箱底正中间第5只脚钉的效果雷同,更有画龙点睛的作用。


详情请参阅:我的半DIY音响组合(更新版) http://blog.sina.com.cn/s/blog_4df2a7230100bdqd.html
Muyi兄,
谢谢关注。您所问的是大题目,不是初烧的小问题,三言两语说不清楚,容后再答。
您也可以参阅上述答案及连结,可以解答您的部份问题。请留意我们日后的回复。