发烧论坛

注册

 

发新话题 回复该主题

【我为论坛作贡献】晶体管后级功放经典电路图集 [复制链接]

查看: 29652|回复: 58
1#
夏文卡顿对地推挽功放
夏文卡顿对地推挽功放.jpg (, 下载次数:1199)

jpg(2007/12/4 16:50:15 上传)

夏文卡顿对地推挽功放.jpg

夏文卡顿后级.jpg (, 下载次数:1251)

jpg(2007/12/4 17:18:43 上传)

夏文卡顿后级.jpg

最后编辑卖油翁1 最后编辑于 2007-12-04 17:18:43
分享 转发
老夫老矣!!
TOP
2#

回复: 【我为论坛作贡献】晶体管后级功放经典电路图集

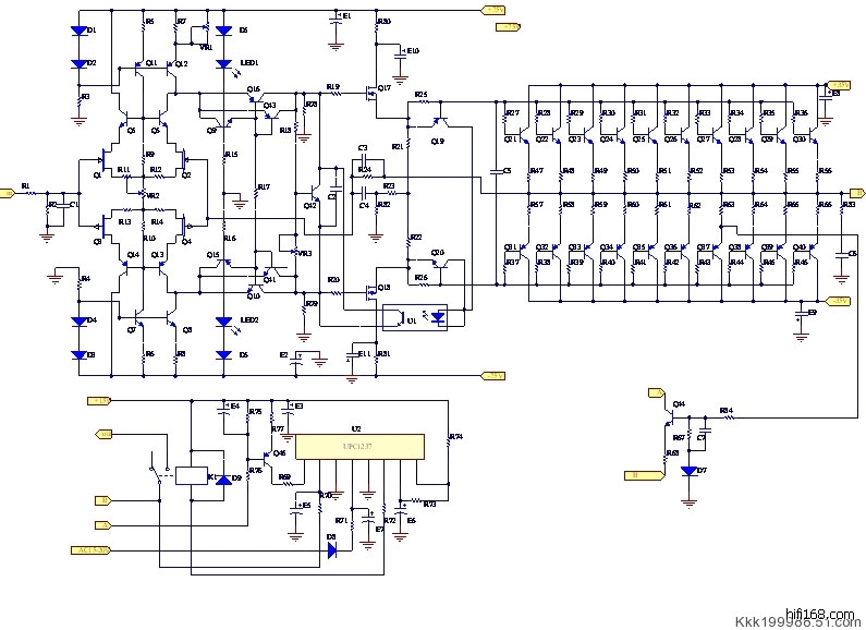
金嗓子A-100功放
金嗓子A100.jpg (, 下载次数:1622)

jpg(2007/12/4 17:20:16 上传)

金嗓子A100.jpg

最后编辑卖油翁1 最后编辑于 2007-12-04 17:20:16
老夫老矣!!
TOP
3#

回复: 【我为论坛作贡献】晶体管后级功放经典电路图集

某差分互补推挽功放
后级电路1.jpg (, 下载次数:900)

jpg(2007/12/4 16:54:31 上传)

后级电路1.jpg

老夫老矣!!
TOP
4#

回复: 【我为论坛作贡献】晶体管后级功放经典电路图集

何庆华巅峰后级功放
何庆华顶峰后级.gif (, 下载次数:958)

gif(2007/12/4 16:56:36 上传)

何庆华顶峰后级.gif

老夫老矣!!
TOP
5#

回复: 【我为论坛作贡献】晶体管后级功放经典电路图集

SF-106N后级功放
SF-106N后级.jpg (, 下载次数:884)

jpg(2007/12/4 17:20:55 上传)

SF-106N后级.jpg

最后编辑卖油翁1 最后编辑于 2007-12-04 17:20:55
老夫老矣!!
TOP
6#

回复: 【我为论坛作贡献】晶体管后级功放经典电路图集

PASS  ALEPH-X  场效应甲类平衡功放
PASS平衡后级.gif (, 下载次数:926)

gif(2007/12/4 16:59:46 上传)

PASS平衡后级.gif

老夫老矣!!
TOP
7#

回复: 【我为论坛作贡献】晶体管后级功放经典电路图集

直流耦合、交流反馈后级功放
直流耦合交流反馈后级.jpg (, 下载次数:923)

jpg(2007/12/4 17:01:43 上传)

直流耦合交流反馈后级.jpg

老夫老矣!!
TOP
8#

回复: 【我为论坛作贡献】晶体管后级功放经典电路图集

趣趣版主的HFG180金封的级功放
趣趣金封后级.gif (, 下载次数:807)

gif(2007/12/4 17:03:15 上传)

趣趣金封后级.gif

老夫老矣!!
TOP
9#

回复: 【我为论坛作贡献】晶体管后级功放经典电路图集

LM4702推SAP15后级功放
IC推SP15.gif (, 下载次数:785)

gif(2007/12/4 17:06:38 上传)

IC推SP15.gif

老夫老矣!!
TOP
10#

回复: 【我为论坛作贡献】晶体管后级功放经典电路图集

天龙PMA2000  UHC-MOS后的级功放
天龙PMA2000后级功放.gif (, 下载次数:839)

gif(2007/12/4 17:09:40 上传)

天龙PMA2000后级功放.gif

老夫老矣!!
TOP
发新话题 回复该主题